2020-09-03 作者: 來源:

一、背景
當代機械加工行業的發展大大推進了對加工方式的改革,尤其是數控設備的出現更是對加工方式提出了更高的要求,以往的手工編程已不能滿足人們對于更快更精確更復雜加工方式的需求,而借助于計算機編程的加工方式越來越廣泛的應用于機械加工行業,以及所有適用的數控設備行業。
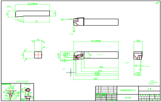
MCLNR2020K12是車加工常用的外圓車刀,也是大連市技師學院校企合作項目研發生產的產品,在研發和生產過程中,學生要在企業真實產品的標準要求下,按照教學任務學習CAD/CAM工業軟件,并完成車刀的生產加工。

二、需求
以MCLNR2020K12外圓車刀研發和生產為基礎,研發多品種的車刀系列產品,構建完整的車刀產品庫,包括車刀種類、型號、圖紙、工藝、加工程序等電子資料,形成教學資源,將生產任務與教學任務結合。
三、應用
1、設計

利用CAXA制造工程師的繪圖功能完成MCLNR2020K12車刀和車刀型腔的設計繪制,形成數字化的圖紙,實現無紙化。
2、工藝

根據MCLNR2020K12車刀的結構特點,結合CAXA制造工程師的加工編程能力,開發制定工藝主要為平面加工、孔加工、外輪廓加工、型腔加工四個部分。
3、編程
導入設計的刀具圖形,根據制定的工藝,合理選擇加工刀具和合切削參數,生成加工軌跡。具體步驟如下:


第九步:攻絲
4、仿真
生成加工軌跡后,利用CAXA制造工程師的加工仿真功能,進行實體加工仿真驗證,經過驗證,刀具軌跡正確。

5、程序
將驗證過的加工軌跡,根據機床的數控系統選擇相應的后置,生成加工程序。

6、加工
將加工材料裝夾在加工中心,完成對刀等操作,通過CAXA制造工程師將程序傳輸至加工中心,完成加工。


7、成品
加工完成后,對切屑和切削液進行清理,將最終產品送檢。

三、結論和價值
結論:
CAXA制造工程師是一款優秀的國產數控加工軟件,運用CAXA制造工程師,生成G代碼,導入數控機床自動加工,簡單易學,刀、刀具路徑設計合理、正確,執行加工一次成功。具有以下幾個優點:
軟件整體設計和功能布局清晰合理,使用相關菜單進行設計和編程,簡單易學。
刀路軌跡生成速度快,軌跡顯示真實、清晰、直觀。編程效率高。
加工仿真模擬真實加工場景,經仿真加工和刀具干涉檢查,減少了程序調試和試切時間,減少了機床工時占用,縮短了生產周期,提升了產品核心競爭力。
設計和編程功能多樣,可以滿足復雜零件設計和加工。
價值:
通過使用CAXA制造工程師生產加工(MCLNR2020K12)車刀,實現了以下幾個價值:
滿足研發生產需要:滿足了學校的校企合作項目研發生產車刀產品的要求。
滿足教學任務需要:學生在真實的項目中,學會了CAD/CAM軟件的使用,學會了機床的操作,具備了真正加工的能力。
滿足開發教學資源和課程的需要:借助CAXA制造工程師先后研制了近20種機加車刀,并開發了工作頁,形成了教學資源和課程體系。
